Hello, I'm

Jordan Lara

Electrical Engineer

I'm incredibly passionate about turning energy into productive motion, designing avionics and embedded systems for rocketry and robotics.

Scroll

About Me

Jordan Lara

Turning ideas into real moving machines

Hey! My name is Jordan Lara. I first found passion for electronics when I was in my second year of high school and joined my school's robotics program. From that moment, the feeling of turning ideas into real moving machines grasped my entire attention. Now I have been involved professionally, extracurricularly, and with my hobby in electronics including embedded design, RF design, PCB design, robotics, avionics, and telemetry.

Outside of engineering, I enjoy keeping my body in shape by running, lifting, and playing basketball. I also love viewing and filming SpaceX launches at Starbase, Texas, and of course, watching tech and engineering YouTubers.

0 Years Experience
0 Projects Completed
0 Months at RTX (Collins Aerospace)

Featured Projects

A collection of my recent work. Click and drag to rotate the 3D models.

MARV Flight Computer PCB

I lead the hardware development and PCB design for MARV (Modular Avionics for Rockets and Vehicles). This is the Rocket Launcher's first full avionics suite capable of rocket guidance, navigation, and control, as well as live rocket flight dynamics with video transmission to our ground station. The MARV Suite is also used in the Smart Detection Drone Senior Design Project.

PCB Design Embedded Systems Avionics

MARV LORA PCB

I lead the hardware development and PCB design for MARV (Modular Avionics for Rockets and Vehicles). This is the Rocket Launcher's first full avionics suite capable of rocket guidance, navigation, and control, as well as live rocket flight dynamics with video transmission to our ground station. The MARV Suite is also used in the Smart Detection Drone Senior Design Project.

PCB Design RF Design Embedded Systems

TAS V1 → V3 PCB

From my freshman to the end of my sophomore year at UTRGV, I joined The Rocket Launchers and contributed to the development of the first-ever TAS (Telemetry Acquisition System) PCB. This included versions V1 through V3, fixing rookie mistakes and learning along the way. This system has flown several times with The Rocket Launchers at Spaceport America Cup and IREC competitions, successfully capturing valuable data.

PCB Design Embedded Systems Electronics

7th Order Chebyshev LPF PCB

Developed a comprehensive PCB design tutorial for my professor's engineering course, addressing a gap in UTRGV's curriculum. The project involved designing and validating a 7th order Chebyshev low-pass filter: prototyped on breadboard, tested with function generator and oscilloscope, then translated into a through-hole PCB using EasyEDA. Completed the product with a custom ergonomic enclosure designed in Fusion 360.

RF Design PCB Design Filter Design
Smart Detection Drone

Smart Detection Drone

Senior Design project developing an autonomous drone system for concrete infrastructure inspection. Designed a custom flight controller PCB and integrated AI-powered edge computing (Raspberry Pi 5 and Hailo-10H) for real-time crack and structural degradation detection.

PCB Design Embedded Systems AI/ML Drone
PWM Motor Control

Digital PWM Motor Speed Controller

Designed a digital input motor speed control system using PWM. Combined R/2R ladder DAC, comparator-based PWM generator, and NMOS H-bridge for bidirectional DC motor control with 0-100% duty cycle range.

PWM Motor Control H-Bridge
Digital State Machine Rocket

Digital State Machine Rocket Launcher

Implemented a digital state machine for rocket control systems using fundamental digital logic concepts. Explored sequential logic design, state transitions, and finite state machine implementation for aerospace applications.

Digital Logic State Machines FSM
Multistage Amplifier

Multistage Transistor Amplifier Design

Designed a multistage amplifier achieving 10.1V/V gain, 210.5kΩ input impedance, and 0.149Ω output impedance. Used Common Source stage with degeneration and Common Drain stage for buffering. 114Hz lower 3dB cutoff frequency.

Transistors Amplifier Design MOSFET
2-Stage CMOS Op Amp

2-Stage CMOS Op Amp Build & Test

Designed, built, and tested a two-stage CMOS operational amplifier using ALD MOSFET quad arrays. Achieved 70.1µA current source, 9.31 V/µs slew rate, and 1.64 MHz gain-bandwidth product with 4.24V peak-to-peak voltage swing.

Analog Design CMOS Op-Amps
Chebyshev HPF

5th Order Chebyshev High-Pass Filter

Designed and built a fifth-order 1dB Chebyshev high-pass filter (403Hz cutoff, 22V/V gain) and a second-order resonant bandpass filter (480Hz center, Q=18, 15V/V gain). Validated using SPICE simulations and physical testing.

Filter Design Chebyshev SPICE
Filters and Transfer Functions

Active Filter Design: Bandpass & Chebyshev LPF

Designed and built a second-order Resonant Bandpass filter (360Hz center, Q=12, 15V/V gain) and a 5th order 1dB Chebyshev low-pass filter (303Hz cutoff, 15V/V gain). Verified with PSPICE simulations and physical testing using TL081 op-amps.

Filter Design PSPICE Op-Amps
RF Circuits

RF Circuits: BPF, Amplifier & Mixer

Designed and tested three RF circuits: passive bandpass filter (110kHz, Q=50), tuned amplifier, and single-balanced mixer using CA3086 transistor array. Generated output harmonics at 90kHz, 100kHz, and 110kHz verified via FFT.

RF Design Mixers Tuned Circuits
Speech Processing

Speech Processing: Delta Modulation Codec

Implemented a complete Delta Modulation (DM) voice codec in MATLAB. The system records real-time audio, encodes it into a 1-bit digital stream (Delta Modulation), and reconstructs the signal using a custom discrete-time decoder. Features include quantization noise analysis, sampling rate optimization (10kHz), and signal smoothing with a 100-tap FIR low-pass filter.

MATLAB DSP Signal processing Audio Codec
Tesla Coil

Wireless Energy Tesla Coil

Designed and constructed a high-voltage resonant Tesla Coil system demonstrating electromagnetic resonance and wireless energy transfer. Successfully powered fluorescent bulbs and LEDs wirelessly, with audio modulation capabilities producing sound through plasma-induced vibrations.

High Voltage RF Design Electromagnetics
Van de Graaff Generator

Van de Graaff Generator

Designed and constructed a functional Van de Graaff generator using 3D-printed components, custom-modified motors, and PVC materials. Demonstrated electrostatic principles including the triboelectric effect and corona discharge through high-voltage static electricity generation.

Electrostatics 3D Printing CAD Design
Rail Magnet Gun

Multi-Stage Rail Magnet Gun

Detailed CAD design and technical drafting of a multi-stage rail magnet gun intended for 3D printing. Documentation includes comprehensive isometric and orthographic views with precise dimensional specifications for the complete 970mm assembly.

CAD Design 3D Printing Technical Drawing
Fourier Series Analysis

Fourier Series Harmonic Analysis

Measured harmonic content and frequency response of five periodic waveforms at 600Hz using FFT analysis. Designed a second-order active bandpass filter for frequency multiplication, successfully isolating and amplifying the 1200Hz harmonic.

Signal Processing FFT Filter Design
Fourier Series Analysis

Fourier Series & Frequency Multiplication

Measured harmonic content of periodic waveforms at 300Hz fundamental frequency using FFT analysis. Designed a bandpass filter to isolate and amplify the 900Hz harmonic from a 300Hz input, demonstrating frequency multiplication.

Signal Processing FFT Bandpass Filter
Impedance Measurement

Impedance & Complex Power Measurement

Measured phase, impedance, and complex power in AC circuits. Applied phasor analysis techniques with comparison to physical measurements using oscilloscopes, function generators, and LCR meters.

AC Circuits Phasor Analysis Instrumentation
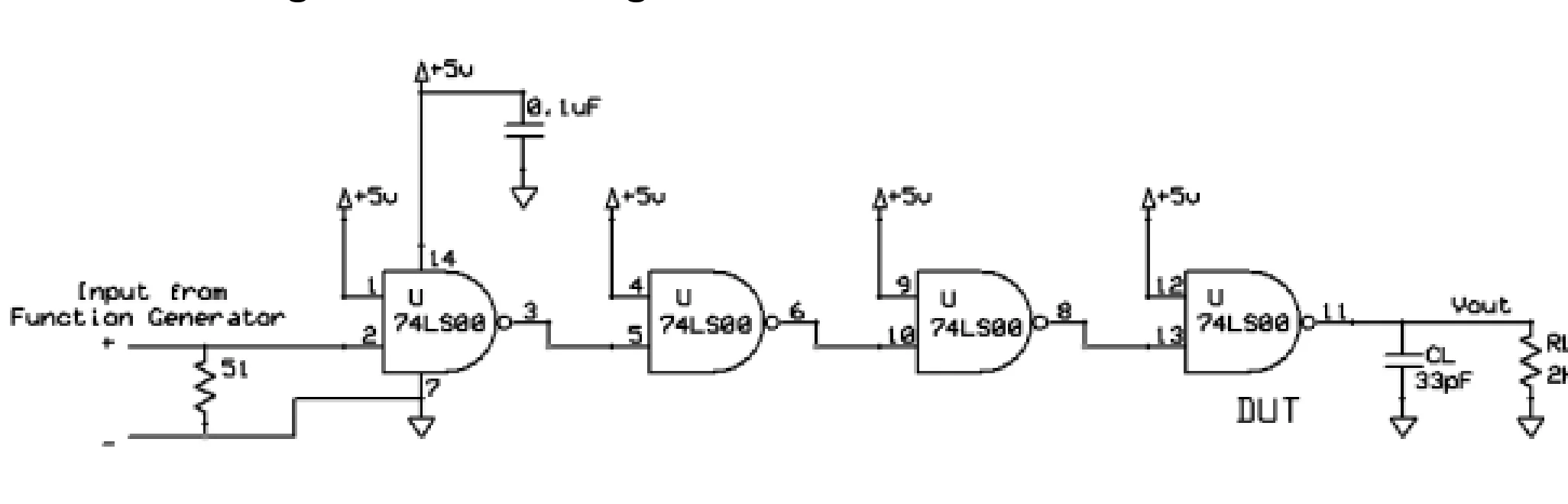
NAND Gate Analysis

Non-Ideal Logic Gate Behavior Analysis

Investigated non-ideal behavior of commercial NAND gates (74LS00), analyzing voltage levels, propagation delay, rise/fall times, and load condition effects. Compared real-world performance to datasheet specifications.

Digital Logic TTL Testing
Analog Pulse Circuits

Analog Pulse & Switching Circuits

Designed and tested multiple analog circuits including comparators, Schmitt Triggers with hysteresis, and pulse forming circuits. Built controllable voltage sources (±13V range) and implemented asymmetrical threshold switching designs.

Analog Design Comparators Schmitt Triggers
Op-Amp Configurations

Op-Amp Configurations Project

Explored fundamental operational amplifier configurations including voltage followers, inverting and non-inverting amplifiers. Analyzed op-amp characteristics and performance in various circuit topologies.

Op-Amps Analog Circuits Electronics
Circuit Analysis Lab

Circuit Analysis & Signal Measurement

Electrical Engineering Lab focusing on circuit analysis techniques, signal measurement using oscilloscopes and function generators, and hands-on testing of electrical components and their behavior.

Circuit Analysis Oscilloscope Lab Testing
Self Driving Cart

Self Driving Shopping Cart

Built a low-cost remote control shopping cart powerful enough to bring carts back to store fronts, addressing the challenge of cart collection in extreme South Texas heat. Currently working on automating the controls for fully autonomous operation using embedded systems and computer vision.

Embedded Systems Robotics Automation
Battle Bot

Competition Battle Bot

Designed and built a ~100lb battle bot capable of pushing over 225 lbs of dead weight for the McAllen Tech Wars competition. Took the project from concept through 3D design, prototyping, and final build—ultimately achieving victory in competition.

Robotics 3D Design Motor Control
Robotics Club App

Robotics Club iOS App

Built an iOS app in high school using Swift and Xcode to market the robotics club and increase its popularity. The app provided full descriptions of each team member across both robotics teams, serving as a comprehensive club directory and recruitment tool.

Swift iOS Development Xcode

Skills & Expertise

Programming

C++
Python
Java
MATLAB

Hardware & Embedded

PCB Design
ESP32 / Arduino
Raspberry Pi
Circuit Analysis

EDA & Tools

EasyEDA / KiCAD
Altium Designer
OrCAD / LTSpice
Git / GitHub

Resume

Get In Touch

Location

Edinburg, Texas, USA